Sie müssen Optionen für das Produkt auswählen.
K-TECH-PRO
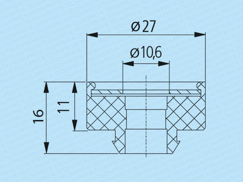
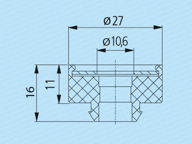
Ersatz Gummischeibe
Artikelnummer
K244301
- Normaler Preis
- €0,21
- Normaler Preis
- €0,21
Steuern enthalten
Auf Lager 113 Stück übrig
Anleitungen & Datenblätter
Abholverfügbarkeit konnte nicht geladen werden
Artikel Beschreibung
Die Ersatzgummischeibe wird in Aufhängungssystemen eingesetzt (auch bei Lüftungskanälen). Es besteht aus EPDM-Gummi und hat eine Unterlegscheibe aus verzinktem Stahl. Die Ersatzgummischeibe ist vibrationsdämpfend.
-
Schneller Versand
Bestellungen vor 14:00 Uhr
werden am selben Tag versendet.
-
30 Tage Rücknahme
Artikel 30 Tage
lang zurückgeben. -
Zahlung
Viele beliebte Zahlungs-
möglichkeiten wählbar.
-
Versandkostenpauschale
Günstiger und zuverlässiger
Standardversand mit DHL.