Sie müssen Optionen für das Produkt auswählen.
-
files/LDB-AN-TL-41-4.jpg
-
files/LDB-AN-TL-41-4-installation.jpg
-
files/LDB-AN-TL-41-4-skizze.jpg
-
files/LDB-AN-TR-41-4-skizze.jpg
K-TECH-PRO
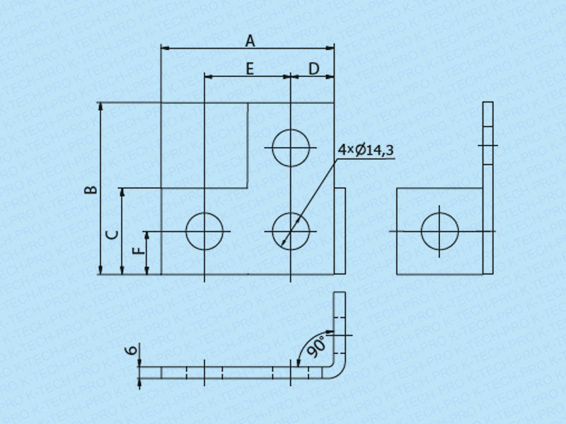
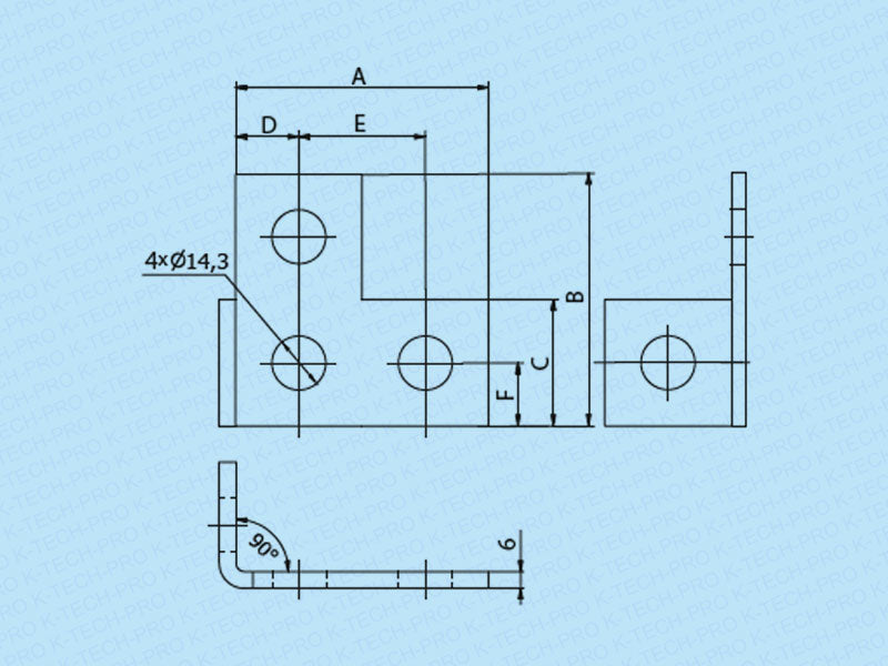
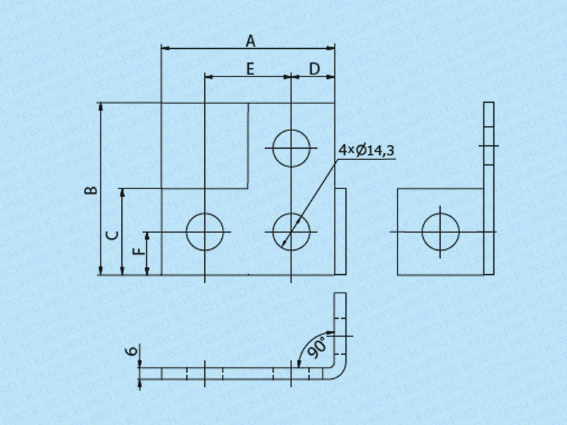
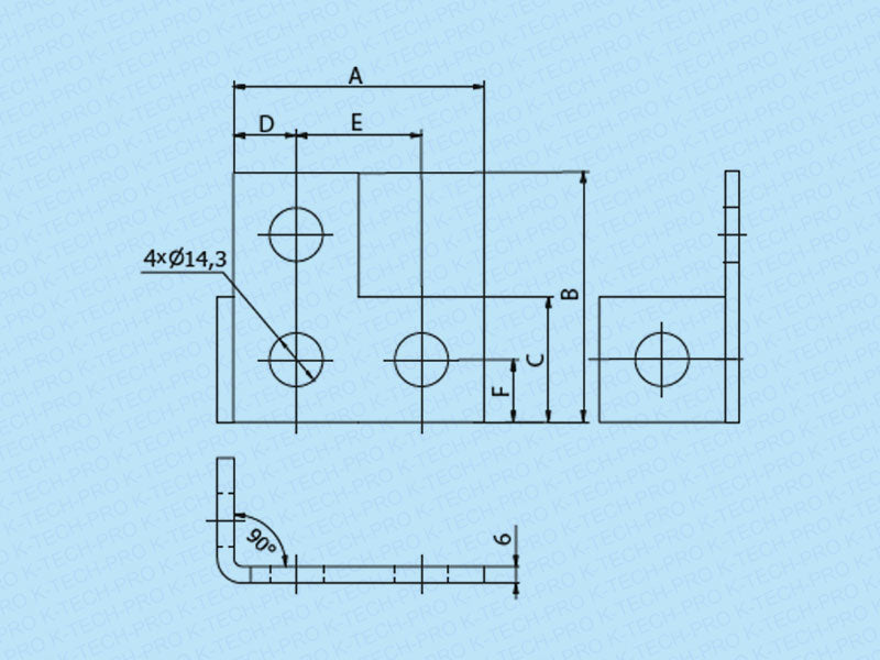
Seitenwinkel S41
- Normaler Preis
- €4,85
- Normaler Preis
- €4,85
Anleitungen & Datenblätter
Abholverfügbarkeit konnte nicht geladen werden
Artikel Beschreibung
Dreibeinige c-Winkel werden zum Aufbau von Fugen zwischen Federbeinkanälen in mehrere Richtungen verwendet. Diese Lösung hilft bei der Installation komplexer Vorrichtungen Raum und Zeit zu sparen. Aufgrund des Materials (verzinkter Stahl) können Sie dieses Produkt auch im Freien verwenden.
Maße in mm:
A = 89
B = 89
C = 40
D = 20
E = 48
F = 20
Kunden kauften auch
Complementary products
-
Schneller Versand
Bestellungen vor 14:00 Uhr
werden am selben Tag versendet.
-
30 Tage Rücknahme
Artikel 30 Tage
lang zurückgeben. -
Zahlung
Viele beliebte Zahlungs-
möglichkeiten wählbar.
-
Versandkostenpauschale
Günstiger und zuverlässiger
Standardversand mit DHL.