Sie müssen Optionen für das Produkt auswählen.
K-TECH-PRO
Sockelfuß S41
- Normaler Preis
- €6,31
- Normaler Preis
- €6,31
Anleitungen & Datenblätter
Abholverfügbarkeit konnte nicht geladen werden
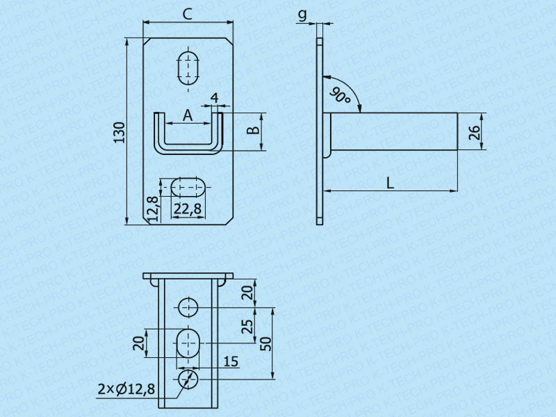
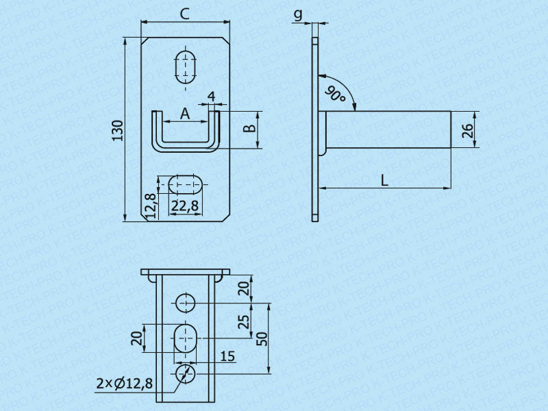
Artikel Beschreibung
Sockelfüße sind Vorrichtungen für Kanäle. Es gibt zwei Grundplattenschlitze zur Befestigung der Rundarmatur mit Anker und Bolzen, sowie zwei Schlitze am Achsschenkel zur Befestigung einer Kanalstrebe. Die bohnenförmigen Schlitze ermöglichen eine präzise und reibungslose Einstellung der Gelenkteile. Sockelfüße haben verschiedene Anwendungen in Bau- und Installationsprojekten.
Maße in mm:
A = 42
B = 26
C = 70
L = 90
g = 4
Kunden kauften auch
Complementary products
-
Schneller Versand
Bestellungen vor 14:00 Uhr
werden am selben Tag versendet.
-
30 Tage Rücknahme
Artikel 30 Tage
lang zurückgeben. -
Zahlung
Viele beliebte Zahlungs-
möglichkeiten wählbar.
-
Versandkostenpauschale
Günstiger und zuverlässiger
Standardversand mit DHL.