Artikel Beschreibung

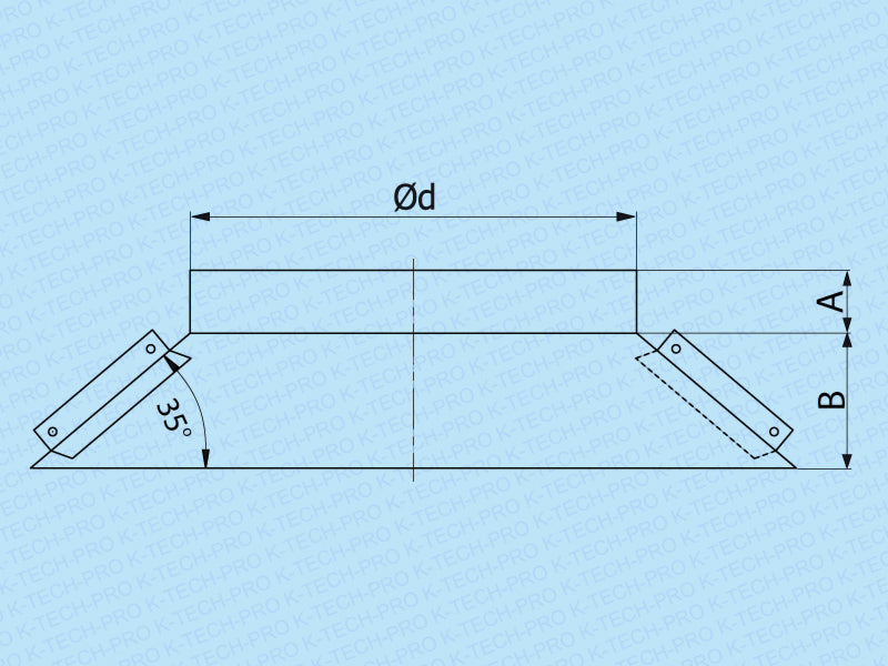
Der Regenkragen ist zur Montage auf Rundrohren bestimmt. Dank den Schrauben ist die Montage des Regenkragen an Rohren und Formteilen möglich. Der Regenkragen sichert die Dichtheit beim Übergang durch das Dach und verhindert das Entstehen von Wasserflecken. Die Endabdichtung erfolgt vor Ort unter Verwendung einer Dichtungsmasse. Mit jedem Regenkragen werden vier M8-50-Schrauben zusammen mit Muttern geliefert.

Kunden kauften auch

    Complementary products

      • Schneller Versand

        Bestellungen vor 14:00 Uhr

        werden am selben Tag versendet.

      • 30 Tage Rücknahme

        Artikel 30 Tage
        lang zurückgeben.

      • Zahlung

        Viele beliebte Zahlungs-

        möglichkeiten wählbar.

      • Versandkostenpauschale

        Günstiger und zuverlässiger

        Standardversand mit DHL.